추억속 아케이드 게임을 이끌어 온 기술
초반부를 읽고 있는데 옛날에는 하드웨어만으로 게임을 개발했구나.. 신기했다.
유니티엔진같은 게임 엔진이 나오기 전 게임 개발자들의 질문과 답변을 보다가
'게임 개발을 하고싶으시면 어셈블리어는 기본으로 하셔야죠' 라는 답변을 봤던 기억이 있다.
직접 원하는 하드웨어의 어셈블리어로 코딩한다는거 자체가 뭔가 비현실적이게 느껴졌는데,
이 책에서는 한 술 더 떠서 전자소자만으로 게임을 만들던 시기의 이야기를 들려주고 있다.
전자과를 나오고 게임회사에 다니고 있는 나로써 굉장히 흥미롭게 읽었던 부분이다.
1971 : 컴퓨터 스페이스
이 책에서 처음 소개되는 1971년의 컴퓨터 스페이스 게임
세계 최초의 아케이드 비디오 게임이라고 한다.
컴퓨터 스페이스는 마이크로 프로세서를 사용하지 않고 단순한 논리회로를 조합하여 제작되었다. 컴퓨터 스페이스가 마이크로 프로세서가 아닌 TTL을 사용한 이유는 저렴하고 구입이 쉽다는 점 때문이었다. (이때의 미니 컴퓨터인 PDP-1의 가격은 기본 구성이 12만 달러로, 그때의 햄버거 가격과 현재의 햄버거 가격이랑 비교하여 물가를 계산해보면 한대당 8억원 정도의 가격이라고 한다)

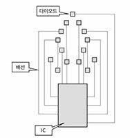
이 파트에서 인상깊었던 것은 위 사진처럼 캐릭터(비행기) 모양으로 다이오드를 배치해서 렌더링에 활용했다는 것이다. 그래서 비행기의 특정 부분이 잘 그려지지 않으면 특정 부분 다이오드에 문제가 생겼음을 알고 그 부분을 고쳐서 썻다고 한다. 아직 회로가 고도로 복잡해지지 않아 여유가 있던 시절에 할 수 있는 창의적이고도 귀여운 유지보수 방법이라는 생각이 들었다.
1972 : 퐁
마그나복스가 1972년 세계 최초의 가정형 게임기 '오딧세이'를 출시한다. 오딧세이는 TV와 연결하여 실행하고, 본체에 게임 카드를 넣을 수 있는 구조로 되어있다. 최종적으로는 28개의 게임이 출시되었다고 한다.
그 중에서도 퐁이 오딧세이를 대표하는 게임인 듯 하다. 위 영상에서 볼 수 있듯이 학교 컴퓨터실에서 친구랑 할만한 심플한 1:1 대전 게임이다. 위에서 소개된 컴퓨터 스페이스는 게임이 복잡해서 인기가 없었다는 평이 있었는데, 퐁은 더할 나위 없이 단순하면서도 스릴 있고 재미있는 게임으로 제작되었고, 높은 인기 덕분에 1만 대의 판매를 기록했다고 한다.
퐁은 컴퓨터 스페이스와 마찬가지로 TTL 논리회로를 조합하여 만들어졌다. 이와 동시에 책에서는 브라운관의 구조와 가변 저항을 이용한 패들의 이동을 소개해주고 있다. 가변저항과 콘덴서에 전하가 충전되는 시간을 조절하여 구현된 555 타이머가 너무 신기했다.. 이 시절에 게임을 개발하려면 이런 IC와 전자소자들도 잘 활용해야 했구나..
이 이후 1973년에 출시된 사커라는 게임도 소개해준다. 이 게임은 퐁과 비슷해서 따로 영상을 첨부하진 않았지만, 이후 일본의 비디오 게임들은 퐁을 모방해서 만들어졌다는 이야기를 해준다. 다른 사람의 기술을 모방하고, 해석하고, 체득해 나가는 것이 창조의 첫 걸음이다.
'공부 > 개발 독서' 카테고리의 다른 글
| 추억속 아케이드 게임을 이끌어 온 기술 ~ 1982 (0) | 2022.12.11 |
|---|---|
| 추억속 아케이드 게임을 이끌어 온 기술 ~ 1979 (1) | 2022.12.03 |
| 함께 모으기 - 객체지향의 사실과 오해 (0) | 2022.10.23 |
| 책임과 메시지 - 객체지향의 사실과 오해 (1) | 2022.10.03 |
| 역할, 책임, 협력 - 객체지향의 사실과 오해 (0) | 2022.10.02 |